தனியுரிமை அறிக்கை: உங்கள் தனியுரிமை எங்களுக்கு மிகவும் முக்கியமானது. உங்கள் வெளிப்படையான அனுமதிகளுடன் எந்தவொரு விரிவாக்கத்திற்கும் உங்கள் தனிப்பட்ட தகவல்களை வெளியிட வேண்டாம் என்று எங்கள் நிறுவனம் உறுதியளிக்கிறது.
தயாரிப்பு வகைகள்
விசாரணையை அனுப்பவும்
கட்டணம் வகை: L/C,T/T,D/P,D/A,Paypal,Others
போக்குவரத்து: Ocean,Land,Air,Express,Others
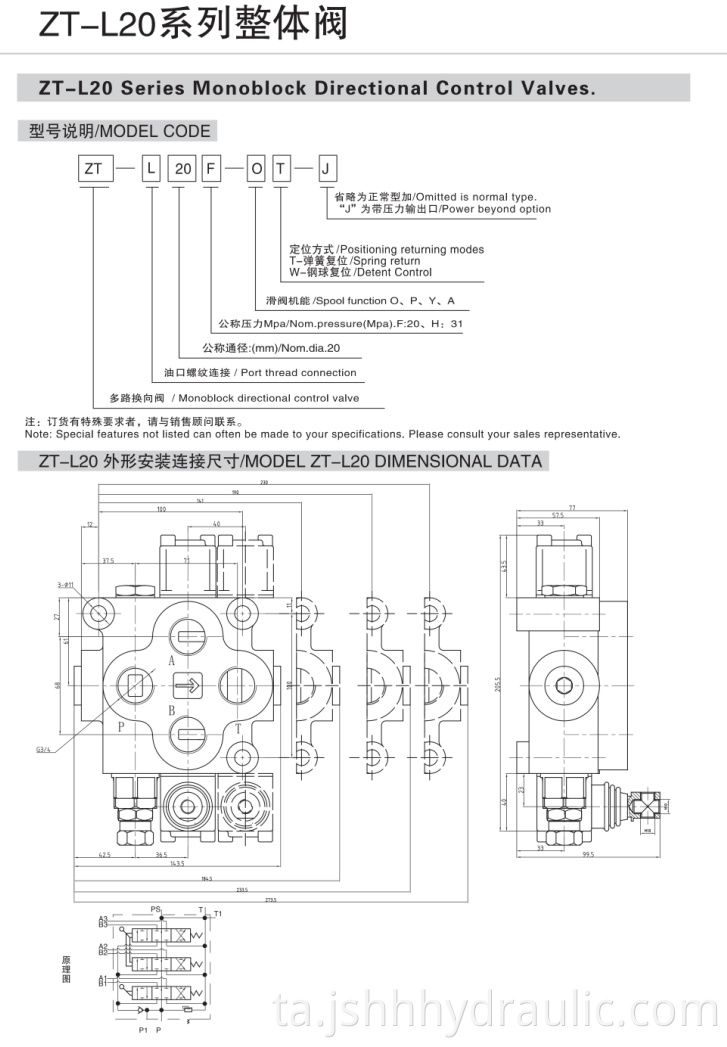
மாதிரி எண்.: ZT-L20 hydraulic directional control muanal monoblock valve
பிராண்ட்: ஹொஹோங்
Origin: ஹுவேயன் நகரம், சீனா
சான்றிதழ்: Ce certificate
உத்தரவாத காலம்: 1 வருடம்
வார்னாண்டிக்கு வெளியே சேவை: ஆன்லைன் ஆதரவு, உதிரி பாகங்கள், கள பராமரிப்பு மற்றும் பழுது சேவை, வீடியோ தொழில்நுட்ப ஆதரவு
Where To Provide Local Services (in Which Countries Are There Overseas Service Outlets): Other
Showroom Location (in Which Countries Are There Sample Rooms Overseas): Other
தோற்றம் இடம்: சீனா
சேவை அமைப்பு: ஆன்லைன் ஆதரவு, வீடியோ தொழில்நுட்ப ஆதரவு, இலவச உதிரி பாகங்கள், கள நிறுவுதல், ஆணையிடுதல் மற்றும் பயிற்சி, கள பராமரிப்பு மற்றும் பழுது சேவை, மற்றவை
வால்வு வகை: ஓட்டம் கட்டுப்பாட்டு வால்வு
Nom.Pressure: 20 MPA
Rated Flow: 80 LPM
Hydraulic Oil Tem.Rang: -20~+80 ℃
Spool Function: O, P. Y, A
Joining Port: L (screw connection)
Work Ports: SAE8
Material: Vermicular graphite cast iron
Package Size: 28*24*15cm
விண்ணப்ப: Construction machinery, sanitation machinery, mining machinery and other machinery hydraulic system
ZT-L20 எலக்ட்ரோப் நியூமாடிக் கட்டுப்பாட்டு தொடர் ZT-L20 விமானக் கட்டுப்பாட்டு தொடரின் அடிப்படையில் மல்டி-வே வால்வை மேம்படுத்தப்பட்டுள்ளது. இது முக்கியமாக காற்று கட்டுப்பாட்டு தலைகீழ் வால்வின் கட்டுப்பாட்டு பொறிமுறையை மாற்றுவதாகும், எலக்ட்ரோப் நியூமாடிக் கட்டுப்பாட்டின் அதிகரிப்பின் அடிப்படையில் விமானக் கட்டுப்பாட்டில், மற்றும் வாடிக்கையாளர் தேவைக்கேற்ப, வயர்லெஸ் ரிமோட் கண்ட்ரோலை நிறுவுவது தொலை கட்டுப்பாட்டை சிறப்பாக அடைய முடியும். கட்டுமான இயந்திரங்கள், துப்புரவு இயந்திரங்கள், சுரங்க இயந்திரங்கள் மற்றும் பிற இயந்திர ஹைட்ராலிக் அமைப்பில் வால்வு பரவலாகப் பயன்படுத்தப்படுகிறது.

சுருக்கமாக, ZT-L20 தொடர் மல்டி-சேனல் திசை வால்வு என்பது நம்பகமான செயல்திறன், மாறுபட்ட செயல்பாடுகள் மற்றும் வசதியான நிறுவல் கொண்ட ஒரு ஹைட்ராலிக் கட்டுப்பாட்டு கருவியாகும், இது பல்வேறு ஹைட்ராலிக் அமைப்புகளின் கட்டுப்பாட்டு தேவைகளுக்கு ஏற்றது.


பேக்கேஜிங்: 5 அடுக்குகள் பழுப்பு பெட்டியுடன் நிரம்பியுள்ளன
உற்பத்தித்: 10000 sets/month
போக்குவரத்து: Ocean,Land,Air,Express,Others
தோற்றம் இடம்: ஹுவேயன் நகரம், சீனா
விநியோக திறன்: 10000 sets/month
சான்றிதழ்: Ce certificate
HS குறியீடு: 8481201090
போர்ட்: SHANGHAI,NINGBO
கட்டணம் வகை: L/C,T/T,D/P,D/A,Paypal,Others
Incoterm: FOB,CFR,CIF,EXW
GET IN TOUCH
If you have any questions our products or services,feel free to reach out to us.Provide unique experiences for everyone involved with a brand.we’ve got preferential price and best-quality products for you.
தனியுரிமை அறிக்கை: உங்கள் தனியுரிமை எங்களுக்கு மிகவும் முக்கியமானது. உங்கள் வெளிப்படையான அனுமதிகளுடன் எந்தவொரு விரிவாக்கத்திற்கும் உங்கள் தனிப்பட்ட தகவல்களை வெளியிட வேண்டாம் என்று எங்கள் நிறுவனம் உறுதியளிக்கிறது.
உங்களுடன் வேகமாக தொடர்பு கொள்ளக்கூடிய கூடுதல் தகவல்களை நிரப்பவும்
தனியுரிமை அறிக்கை: உங்கள் தனியுரிமை எங்களுக்கு மிகவும் முக்கியமானது. உங்கள் வெளிப்படையான அனுமதிகளுடன் எந்தவொரு விரிவாக்கத்திற்கும் உங்கள் தனிப்பட்ட தகவல்களை வெளியிட வேண்டாம் என்று எங்கள் நிறுவனம் உறுதியளிக்கிறது.